Seite 1 von 3
					
				Blinkerproblem
				Verfasst: Mi 10. Jan 2018, 10:42
				von Torino72
				Hallo Leute!
Vorab ein gutes, gesundes und erfolgreiches Jahr 2018!
Ich habe seid Ende Saison ein etwas merkwürdiges Problem, dem ich mich jetzt zuwenden werde. Wenn ich das Licht einschalte leuchtet auch der vordere rechte Blinker dauerhaft.  

Wenn ich dann denn Blinker betätige blinkt er normal auf, jedoch leuchtet er bei der Intervallpause auch. Ich hoffe ich habs so einigermaßen erklären können. 
 
Wo soll ich mit der Fehlersuche anfangen. Birne und die Kontakte in der Fassung sind gereinigt und in Ordnung.
Vielleicht hat jemand eine Idee...Alle anderen Leuchten funktionieren einwandfrei normal.
 
			 
			
					
				Re: Blinkerproblem
				Verfasst: Mi 10. Jan 2018, 22:23
				von Erdur
				Der Blinker bezieht seinen Strom im Fehlerfall ja offensichtlich vom Scheinwerfer.
Vermutlich werden die Leitungen für den rechten Scheinwerfer zumindest streckenweise zusammen mit denen vom Blinker geführt. Vielleicht sind die Kabel in diesem Bereich irgendwo gemeinsam eingeklemmt oder aufgescheuert.
Das wäre jetzt mein erster Verdacht.
Blinken die Scheinwerfer wenn das Licht aus ist, aber du nach rechts blinkst?
Gruß,
Tobias
			 
			
					
				Re: Blinkerproblem
				Verfasst: Do 11. Jan 2018, 08:31
				von Torino72
				Hallo Tobias!
Der Fehler ist plötzlich aufgetreten. D. h. ich habe keine Änderungen vorgenommen. Daher verblüfft mich das.
Das muss ich erst ausprobieren.....werde ich versuchen was da passiert. Ich werde berichten. Danke schon mal!
			 
			
					
				Re: Blinkerproblem
				Verfasst: Do 11. Jan 2018, 16:03
				von firstronny
				Hallo Thomas,
der Blinker vorne ist ja normal nicht nur "Turn Singal" sondern auch "Park Signal". 
Es müsste eine 2 - Faden Birne verbaut sein.
Kontrollier doch mal, ob beim Licht Einschalten der gleiche Faden leuchtet, als wenn du blinkst. 
Für die Typisierung bei uns in Österreich darf da ja kein "Park Signal" funktionieren. Da wird auch gerne nur der 2. Kontakt abgeklebt. Vielleicht hast du durchs Säubern die "Funktion" wieder aktiviert  
 
lg
Joachim
 
			 
			
					
				Re: Blinkerproblem
				Verfasst: Do 11. Jan 2018, 16:34
				von Torino72
				Hallo Joachim!
Stimmt, es ist eine 2-Faden Birne. Beim Einschalten des Lichts leuchtet nur der "schwache" Faden (ist also nicht sehr hell) und beim Betätigen des Blinkers blinkt der 2. Faden (viel heller). Also dauerhaft leuchtet immer der "schwache" Faden.
Du könntest recht haben mit "...zu sehr geputz..."  

  Der Fehler ist mir wirklich aufgefallen wie ich den Dicken vor dem Einwintern gewaschen habe. Könnte also vielleicht Feuchtigkeit sein. Geht jedoch nicht mehr von alleine weg  

 
			 
			
					
				Re: Blinkerproblem
				Verfasst: Do 11. Jan 2018, 16:44
				von leiti83
				Hi Thomas,
also ich muss gestehen, ich verstehe das Problem gerade noch nicht? 
Wenn du blinkst, blinkt er hell -> so soll es ja sein
Wenn du das Licht an machst, leuchtet es schwächer -> so soll es auch sein. 
Wo ist der Fehler? Du schreibst, er leuchtet vorne rechts dauerhaft -> also links nicht? 
Grüße, Markus.
			 
			
					
				Re: Blinkerproblem
				Verfasst: Do 11. Jan 2018, 16:59
				von firstronny
				Ja also richtig, aber nicht zulässig  

  ist es wenn der 2. Faden bei eingeschaltetem Licht mitleuchtet. Dann wäre der wirkliche Fehler auf der rechten Seite zu suchen  
  
 
Leuchtet er in voller Helligkeit oder schaut es so aus als wenn wirklich irgendwo ein Schluss ist?
Hinten leuchtet die Birne nicht?
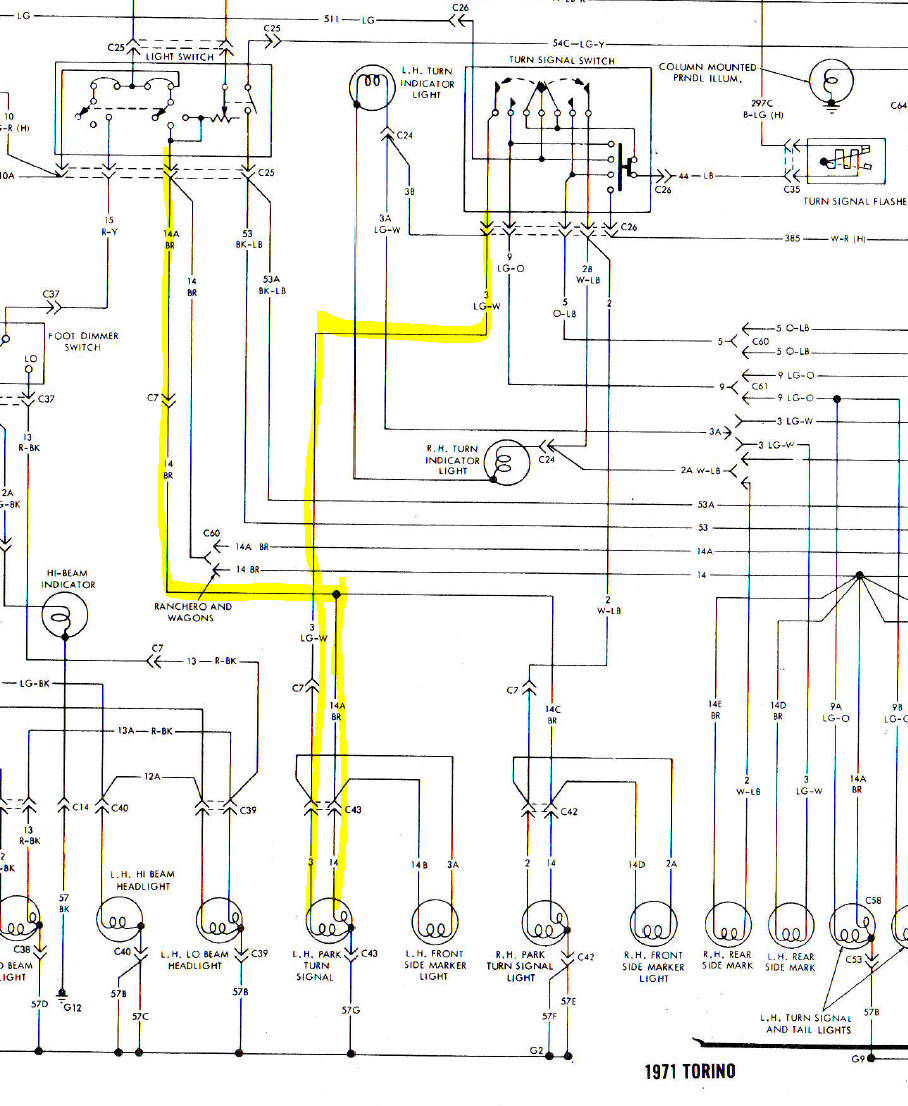
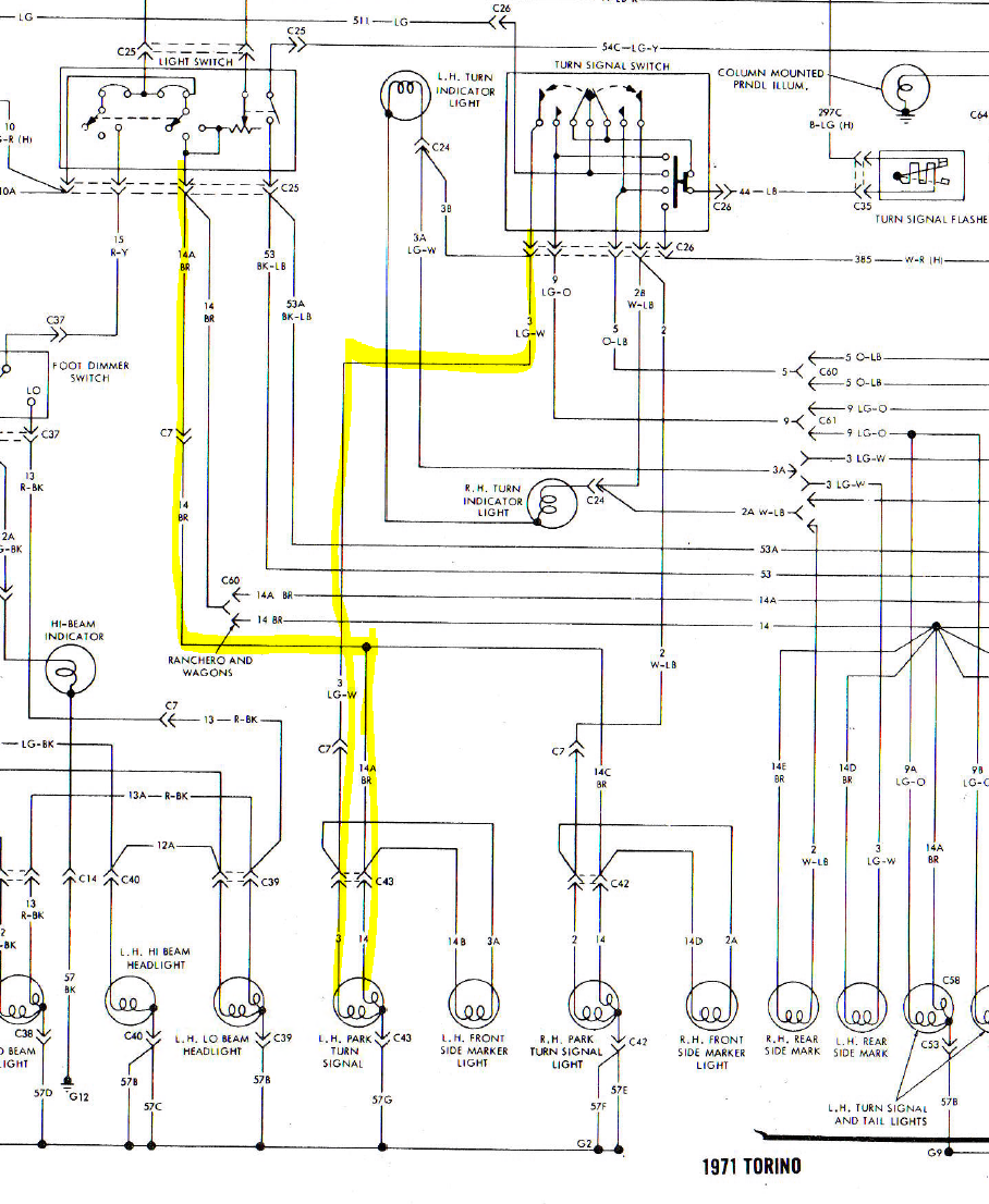
Bild vom 71er Schaltplan:
			
		
				
			
 
						- turnparksignal_torino.PNG (691.47 KiB) 9503 mal betrachtet
 
		
		
		
			 
lg
Joachim
 
			 
			
					
				Re: Blinkerproblem
				Verfasst: Do 11. Jan 2018, 17:00
				von Torino72
				Hallo Markus!
Ich kann dich verstehen. Ich weiß nicht wie ich es am Besten erklären soll.  
 
Aber du hast es richtig verstanden. Hier mal ein Bild bei nur eingeschaltetem Licht ohne Blinkerbetätigung.
rechts leuchtet der Blinker dauerhaft, links nicht. Wie Joachim schon geschrieben, darf bei uns in Ö. das "Park Signal" nicht leuchten. So war das auch bis jetzt immer bei mir. Irgend ein Kontakt muss sich selbstständig gemacht haben.
 
			 
			
					
				Re: Blinkerproblem
				Verfasst: Do 11. Jan 2018, 17:03
				von Torino72
				Korrekt...eigentlich wäre es so richtig, nur darf ich das nicht  
 
Leuchtet wirklich nur schwach, also nur der "schwache" Faden. Hinten ist alles OK...
 
			 
			
					
				Re: Blinkerproblem
				Verfasst: Do 11. Jan 2018, 17:21
				von leiti83
				Ihr mit euren Sonderregeln...  
 
Aber warum legst du dann den "schwachen Faden" nicht einfach still und alles ist gut? 
Die Frage, die ich mir stelle ist eher: Warum geht er auf der Fahrerseite NICHT?