Hallo Freunde,
Von meinem 72er Torino sind werdend der Fahrt die Anzeigen ausgefallen.
Nach ca. 5km Fahrt waren sie wieder da bis ich zuhause war.
Jetzt aktuell temp oil und fuel ohne Funktion.
Weiß vielleicht einer von euch was es sein könnte?
Eventuell ein Relais????
Kenne mich mit Elektronik nicht gut aus.
Gruß Carlito
Temp Oil Fuel Anzeigen
- firstronny
- Supporter

- Beiträge: 809
- Registriert: Sa 13. Aug 2011, 22:49
- Modell: GT Convertible
- Baujahr: 1971
- Motor: 302 2V
- Wohnort: Kärnten, Österreich
- Kontaktdaten:
Re: Temp Oil Fuel Anzeigen
Servus,
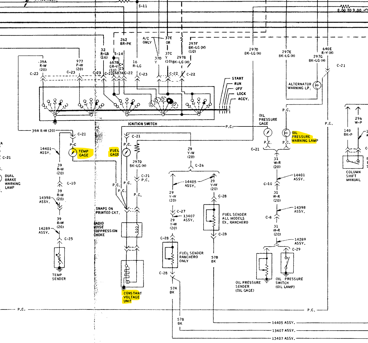
schau mal in den Schaltplan, findest du in der Dropbox: https://www.ford-torino.de/projekte/dropbox/
Seite 44, hab dir einen Screenshot gemacht damit du dir vorstellen kannst was ich meine:
Tank-, Temperatur-, Öldruckanzeige etc. haben noch einen Spannungsregler vorgeschaltet. Befindet sich alles hinter der Tachoanzeige.
Meistens fällt dieser aus und damit funktionieren dann alle Anzeigen nicht mehr. Kontrolle bitte auch die Masseverbindungen.
lg
Joachim
schau mal in den Schaltplan, findest du in der Dropbox: https://www.ford-torino.de/projekte/dropbox/
Seite 44, hab dir einen Screenshot gemacht damit du dir vorstellen kannst was ich meine:
Tank-, Temperatur-, Öldruckanzeige etc. haben noch einen Spannungsregler vorgeschaltet. Befindet sich alles hinter der Tachoanzeige.
Meistens fällt dieser aus und damit funktionieren dann alle Anzeigen nicht mehr. Kontrolle bitte auch die Masseverbindungen.
lg
Joachim
Ford ► Torino GT Convertible ► 1971
Wer ist online?
Mitglieder in diesem Forum: 0 Mitglieder und 0 Gäste

